0577-62715977
高壓戶內外真空斷路器合閘流程
現在的高壓戶內外真空斷路器大部分是繃簧操作組織,也有永磁操作組織。繃簧操作組織得儲能使通過一個帶棘輪的齒輪傳動來拉開繃簧,使繃簧蓄能并通過合閘觸發釋能,通過傳動部分是真空滅弧室上下觸頭分隔結束分閘。分閘則是通過在合閘時壓縮得分閘簧,通過釋能結束的。合分閘室通過翻滾半軸來結束動作活絡釋能。電氣合分時通過電信號,使電磁線圈動作碰擊來翻滾半軸。
在高壓戶內外真空斷路器使用時需求了解高壓戶內外真空斷路器分合閘的作業原理流程詳解:
1、電機回路,主要是儲能給合閘供應能量的;
2、合閘回路是用來合閘的;
3、分閘回路用來分閘;
4、防跳電磁鐵回路主要是避免合閘后合閘開關未斷開,當發生事端時跳閘后又合閘,形成跳躍式分合閘,發生危險;
5、輔佐回路是供應輔佐觸點的;
6、閉鎖回路用于兩臺以上斷路器的連鎖;
其他輔佐觸點 電機儲能點 用于聯接電機儲能指示燈 實驗方位和作業方位微動開關 供應方位信號的。
高壓戶內外真空斷路器的基本結構
以下面高壓戶內外真空斷路器為例,闡明其結構與作業原理。
斷路器本體結構如圖一:
斷路器本體部分由導電回路,絕緣體系,密封件和殼體組成。全體結構為三相共箱式。其間導電回路由進出線導電桿,進出線絕緣支座,導電夾,軟聯接與真空滅弧室聯接而成。
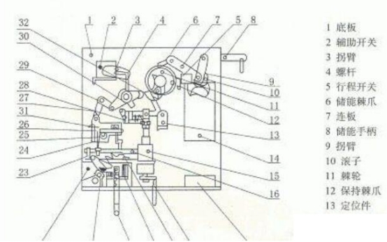
操作組織如圖二:

此組織為電動儲能,電動分合閘,一同具有手動功用。整個結構由合閘繃簧,儲能體系,過流脫扣器,分合閘線圈,手動分合閘體系,輔佐開關,儲能指示等部件組成。
高壓戶內外真空斷路器使用高真空中電流流過零點時,等離子體敏捷渙散而平息電弧,結束堵截電流的目的。
動作原理
儲能進程:當儲能電機 14接通電源時,電機帶動偏疼輪翻滾,通過緊靠在偏疼輪上的滾子10帶動拐臂9及連板7搖擺,推進儲能棘爪6搖擺,使棘輪11翻滾,當棘輪11上的銷與儲能軸套32的板靠住往后,二者一同運動,使掛在儲能軸套上32上的合閘繃簧21拉長。儲能軸套32由定位銷13固定,堅持儲能狀況,一同,儲能軸套32上的拐臂推進行程開關5堵截儲能電機14的電源,并且儲能棘爪被抬起,與棘輪牢靠脫離。
合閘操作進程:當組織接到合閘信號后(開關處于斷開,已儲能狀況),合閘電磁鐵 15的鐵心被吸向下運動,拉動定位件13向逆時針方向翻滾,革除儲能堅持,合閘繃簧21帶動儲能軸套32逆時針方向翻滾,其凸輪壓動傳動軸套 30,帶動連板29及搖臂27運動,使搖臂27扣住半軸25,使組織處于合閘狀況。此時,連鎖設備28鎖住定位件,使定位牛不能逆時針方向翻滾,抵達組織聯銷的目的,保證了組織在合閘方位不能合閘操作。
分閘操作進程:斷路器合閘后,分閘電磁鐵接到信號,鐵芯吸合,分閘脫扣器 19中的頂桿向上運動,使脫扣軸16翻滾,帶動頂桿18向上運動,頂動彎板26并帶動半軸25向反時針方向翻滾。半軸25與搖臂27解扣,在分閘繃簧的作用下,斷路器結束分閘操作。